2002 montero engine diagram

Mitsubishi Pajero Workshop and Service manuals - Wiring Diagrams. 16 Images about Mitsubishi Pajero Workshop and Service manuals - Wiring Diagrams : 2002 Mitsubishi Montero Firing Order for Spark Plugs, I have a 1989 Mitsubishi montero, 3.0 V6 and I need a diagram of the and also 2001 Mitsubishi Montero Engine diagram - Questions (with Pictures) - Fixya.

Mitsubishi Pajero Workshop And Service Manuals - Wiring Diagrams

Mitsubishi Pajero Workshop and Service manuals - Wiring Diagrams www.auto-manual.com

pajero manuals spotlights beam exploroz

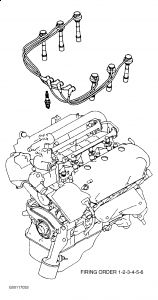
2002 Mitsubishi Montero Firing Order For Spark Plugs

2002 Mitsubishi Montero Firing Order for Spark Plugs www.2carpros.com

montero mitsubishi order 2002 firing spark plugs expert

2001 Mitsubishi Montero Sport Engine Diagram - Wiring Forums

2001 Mitsubishi Montero Sport Engine Diagram - Wiring Forums wiringforums.com

mitsubishi montero sport 2003 egr diagram 2001 engine 0l po401 wiring mitsubishiforum px source

2001 Mitsubishi Montero Engine Diagram - Questions (with Pictures) - Fixya

2001 Mitsubishi Montero Engine diagram - Questions (with Pictures) - Fixya www.fixya.com

serpentine montero 528i routing pajero fixya

Repair Guides

Repair Guides www.autozone.com

montero diagrams

WHERE CAN I FIND THE ENGINE NUMBER ON MY 2001 MONTERO SPORT?

WHERE CAN I FIND THE ENGINE NUMBER ON MY 2001 MONTERO SPORT? www.justanswer.com

number engine montero sport where 2001 mitsubishi

Mitsubishi 30 V6 Engine Diagram - Wiring Diagram Schemas

Mitsubishi 30 V6 Engine Diagram - Wiring Diagram Schemas wiringschemas.blogspot.com

mitsubishi engine max mighty parts 1990 head diagram cylinder v6 oem wiring order

I'm Having A Lot Of Trouble Trying To Remove My Front Rotors

I'm having a lot of trouble trying to remove my front rotors www.justanswer.com

montero mitsubishi sport diagram v6 xls 2000 assembly remove 4x4

Wiring Diagram: 9 Mitsubishi 30 V6 Engine Diagram

Wiring Diagram: 9 Mitsubishi 30 V6 Engine Diagram melissappos.blogspot.com

sohc rebuilt 0l montero kar karking

Mitsubishi Montero 2002 Fuse Box/Block Circuit Breaker Diagram » CarFuseBox

Mitsubishi Montero 2002 Fuse Box/Block Circuit Breaker Diagram » CarFuseBox www.carfusebox.com

montero breaker carfusebox

[Repair 1998 Mitsubishi Montero Engines] - 1998 Mitsubishi Montero

[Repair 1998 Mitsubishi Montero Engines] - 1998 Mitsubishi Montero autosalesmalta.com

montero 1998 remanufactured mfi 6g75 cast

[FW_9591] Montero Sport Engine Diagram On 2001 Mitsubishi Galant Engine

[FW_9591] Montero Sport Engine Diagram On 2001 Mitsubishi Galant Engine siry.xorcede.mohammedshrine.org

mitsubishi galant outlander serpentine timing legnum imageservice endeavor motors

I Have A 1989 Mitsubishi Montero, 3.0 V6 And I Need A Diagram Of The

I have a 1989 Mitsubishi montero, 3.0 V6 and I need a diagram of the www.justanswer.com

montero diagram 1989 v6 mitsubishi need throttle body

Mitsubishi Montero (2002-2004). Manual - Part 464

Mitsubishi Montero (2002-2004). Manual - part 464 zinref.ru

montero

Repair Guides

Repair Guides www.autozone.com

montero diagrams 6l

Mitsubishi Montero (2002-2004). Manual - Part 62

Mitsubishi Montero (2002-2004). Manual - part 62 zinref.ru

montero diagnosis

Montero diagrams. [fw_9591] montero sport engine diagram on 2001 mitsubishi galant engine. Montero 1998 remanufactured mfi 6g75 cast