2002 power seat wiring diagram

Repair Guides. 11 Pictures about Repair Guides : Fuse Box Diagram Hummer H2 (2002-2007), | Repair Guides | Power Seats (2001) | Power Seat Wiring Diagram (a and also 2003 Dodge Durango Wiring Harnes - Cars Wiring Diagram.

Repair Guides

Repair Guides www.autozone.com

wiring diagram 2005 suburban heated 2003 seats seat chevy rear yukon escalade tahoe denali repair guide fig

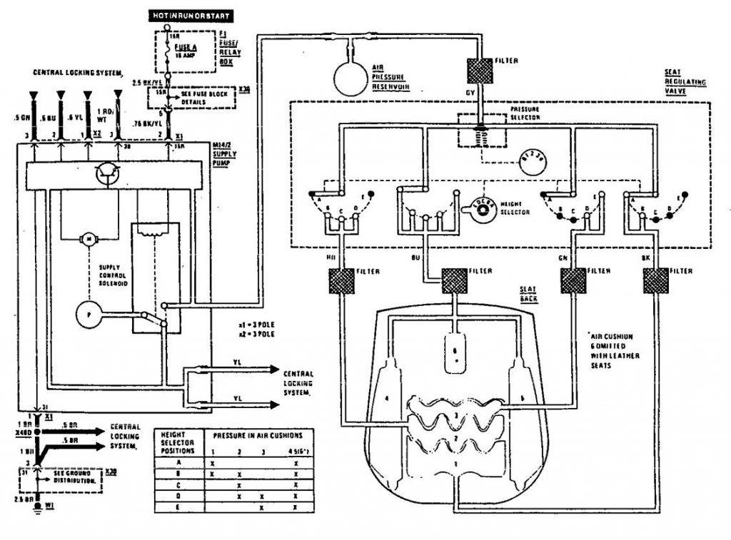
Mercedes-Benz 300E (1990 - 1991) - Wiring Diagrams - Power Lumbar

Mercedes-Benz 300E (1990 - 1991) - wiring diagrams - power lumbar www.carknowledge.info

300e diagrams carknowledge zr

| Repair Guides | Seats (2001) | Heated Seats | AutoZone.com

| Repair Guides | Seats (2001) | Heated Seats | AutoZone.com www.autozone.com

heated 2001 seats autozone monte carlo impala 2005 prix grand schematics fig

| Repair Guides | Overall Electrical Wiring Diagram (2004) | Overall

| Repair Guides | Overall Electrical Wiring Diagram (2004) | Overall www.autozone.com

2004 diagram wiring 2005 electrical sienna toyota overall power repair system autozone fig source audio guide

Fuse Box Diagram Hummer H2 (2002-2007)

Fuse Box Diagram Hummer H2 (2002-2007) fuse-box.info

fuses relays

| Repair Guides | Power Seats (2002) | Power Seat Wiring Diagram (a

| Repair Guides | Power Seats (2002) | Power Seat Wiring Diagram (a www.autozone.com

2002 power wiring seat diagram autozone connector locations fig

| Repair Guides | Electrical System (2002) | Remote Keyless Entry

| Repair Guides | Electrical System (2002) | Remote Keyless Entry www.autozone.com

diagram wiring nissan xterra system 2002 2006 remote autozone keyless entry repairguide frontier keyles fig 1998 source repair

Repair Guides

Repair Guides www.autozone.com

repair guide fig 2002 seat power

2003 Dodge Durango Wiring Harnes - Cars Wiring Diagram

2003 Dodge Durango Wiring Harnes - Cars Wiring Diagram yosalsero.blogspot.com

wiring dodge diagram trailer ram durango dakota 2001 brake 2003 1998 1500 headlight 2008 2006 inspirationa switch tow schematic engine

| Repair Guides | Glasses, Window Systems & Mirrors (2004) | Power

| Repair Guides | Glasses, Window Systems & Mirrors (2004) | Power www.autozone.com

window power 2004 diagram wiring autozone fig

| Repair Guides | Power Seats (2001) | Power Seat Wiring Diagram (a

| Repair Guides | Power Seats (2001) | Power Seat Wiring Diagram (a www.autozone.com

seat diagram wiring power 2001 seats autozone connector locations fig mazda

| repair guides. Repair guides. | repair guides