2002 sebring wiring diagrams

Chrysler Sebring Wiring. Engine - 05148924AB | Mopar Parts Overstock. 17 Pics about Chrysler Sebring Wiring. Engine - 05148924AB | Mopar Parts Overstock : [DIAGRAM] Sebring Fuse Diagram, 2010 Chrysler Sebring Wiring Diagram - Wiring Diagram and Schematic and also 2004 Chrysler Sebring Wiring Diagram - Diagram For You.

Chrysler Sebring Wiring. Engine - 05148924AB | Mopar Parts Overstock

Chrysler Sebring Wiring. Engine - 05148924AB | Mopar Parts Overstock www.moparpartsoverstock.com

wiring sebring jumper

2004 Pt Cruiser Cooling Fan Wiring Diagram - Wiring Diagram

2004 Pt Cruiser Cooling Fan Wiring Diagram - Wiring Diagram wiringdiagram.2bitboer.com

2005 easywiring

2001 Mitsubishi Eclipse Infinity Radio Wiring Diagram - Wiring Diagram

2001 Mitsubishi Eclipse Infinity Radio Wiring Diagram - Wiring Diagram wiringdiagram.2bitboer.com

wiring 3000gt

95 Mitsubishi Eclipse Fuel Injection Wiring Diagram - Wiring Diagram

95 Mitsubishi Eclipse Fuel Injection Wiring Diagram - Wiring Diagram kelvin-okl.blogspot.com

fuel eclipse mitsubishi rail injection injectors diagram repair wiring 1995 0l turbo components guides engines guide fig removal autozone exploded

My Chrysler Sebring 2004 Lx Or Lxi Stalled The Other Day Several Times

My Chrysler Sebring 2004 Lx or Lxi stalled the other day several times www.justanswer.com

chrysler sebring 2004 diagram wiring stalled lx amedee took

1996 Chrysler Sebring Wiring Diagram

1996 Chrysler Sebring Wiring Diagram hestiahelper.blogspot.com

wiring sebring

Trying To Find Wiring Diagram For 2001 Chrysler Sebring Lxi Coupe To

Trying to find wiring diagram for 2001 chrysler sebring lxi coupe to www.justanswer.com

diagram wiring sebring chrysler 2001 starter lxi 2008 justanswer 2006 system stratus trying starting sure vehicle help coupe

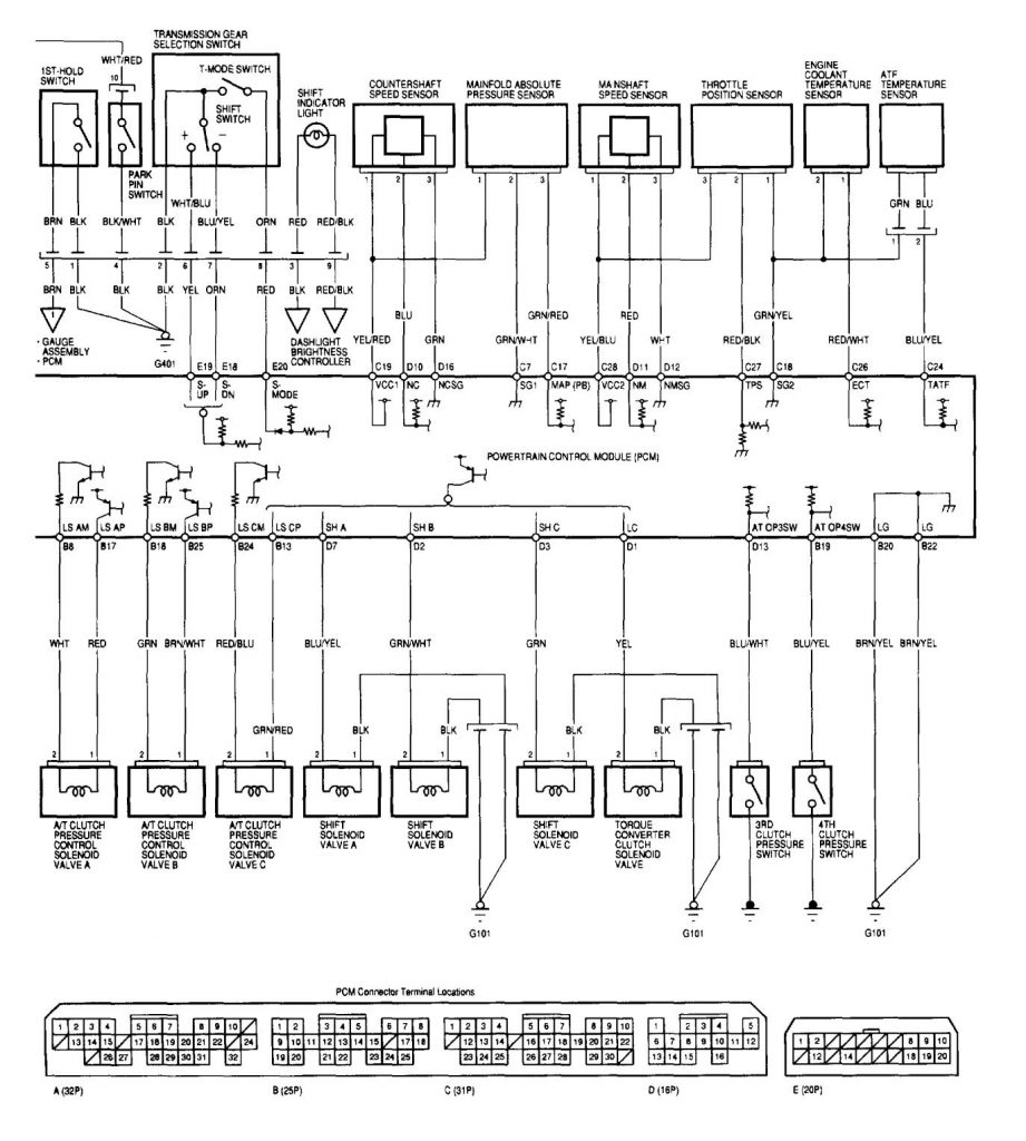
Acura TL (2002) - Wiring Diagrams - Transmission Controls

Acura TL (2002) - wiring diagrams - transmission controls www.carknowledge.info

acura diagrams carknowledge

[DIAGRAM] Sebring Fuse Diagram

[DIAGRAM] Sebring Fuse Diagram diagramspace.blogspot.com

sebring

Wiring Diagram For 1999 Chrysler Sebring - Complete Wiring Schemas

Wiring Diagram For 1999 Chrysler Sebring - Complete Wiring Schemas wiring89.blogspot.com

chrysler sebring 1999 wiring diagram

AUTO CRANE WIRING HARNESS - Auto Electrical Wiring Diagram

AUTO CRANE WIRING HARNESS - Auto Electrical Wiring Diagram electrowiring.herokuapp.com

cd90 c90 diagrama wiringdiagrams zx9r cb750 headlight harnes diagramas cmelectronica

2000 Chrysler Sebring Starter Wiring Diagram – MotoGuruMag

2000 Chrysler Sebring Starter Wiring Diagram – MotoGuruMag motogurumag.com

sebring motogurumag

2005 Chrysler Sebring Manual Wiring Diagram – MotoGuruMag

2005 Chrysler Sebring Manual Wiring Diagram – MotoGuruMag motogurumag.com

sebring pacifica justanswer motogurumag

2004 Chrysler Sebring Wiring Diagram - Diagram For You

2004 Chrysler Sebring Wiring Diagram - Diagram For You kibodeclanchester.blogspot.com

fuse sebring fixya cruiser ginko imageservice fuses motogurumag

2010 Chrysler Sebring Wiring Diagram - Wiring Diagram And Schematic

2010 Chrysler Sebring Wiring Diagram - Wiring Diagram and Schematic wiring.hpricorpcom.com

sebring lincoln fl112 wiring kenworth t270 fuses imageservice relays motogurumag carlo monte

2001 Chrysler Sebring Wiring Diagram Free

2001 Chrysler Sebring Wiring Diagram Free buyeagleaspendtv4x815887.blogspot.com

300 diagram box chrysler fuse wiring sebring 2001 fuses iod relays

35 2004 Chrysler Sebring Wiring Diagram - Wire Diagram Source Information

35 2004 Chrysler Sebring Wiring Diagram - Wire Diagram Source Information wiringdiagrammechanic.blogspot.com

sebring fuse stereo

Acura diagrams carknowledge. My chrysler sebring 2004 lx or lxi stalled the other day several times. Sebring motogurumag