2003 alero engine diagram coolant

99 Alero Engine Diagram - Fuse & Wiring Diagram. 18 Pics about 99 Alero Engine Diagram - Fuse & Wiring Diagram : 2000 Oldsmobile Alero Oil Leak: Engine Mechanical Problem 2000, Wiring Diagram PDF: 2003 Alero Engine Diagram Coolant and also 99 Alero Engine Diagram - Fuse & Wiring Diagram.

99 Alero Engine Diagram - Fuse & Wiring Diagram

99 Alero Engine Diagram - Fuse & Wiring Diagram fusewiring.blogspot.com

alero oldsmobile

3400 V6 Engine Coolant Diagram - Wiring Diagram Networks

3400 V6 Engine Coolant Diagram - Wiring Diagram Networks kelvin-okl.blogspot.com

2001 lumina 1995 pipe l82 asm

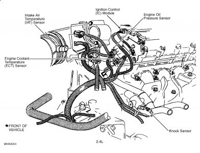
Wiring Diagram PDF: 2003 Alero Engine Diagram Coolant

Wiring Diagram PDF: 2003 Alero Engine Diagram Coolant wiring-pdf.blogspot.com

wiring alero

Hosing Gm 3400 Engine Diagram - Wiring Diagrams

Hosing Gm 3400 Engine Diagram - Wiring Diagrams cars-wiringdiagram.blogspot.com

gm diagram engine hosing scorcher package performance plus pro

2000 Oldsmobile Alero Oil Leak: Engine Mechanical Problem 2000

2000 Oldsmobile Alero Oil Leak: Engine Mechanical Problem 2000 www.2carpros.com

pontiac 2000 alero oil pressure grand am oldsmobile leak 1999 switch 2carpros diagram engine sensor coolant where 4l trans temperature

2000 Alero Surge At Idle - All Gasoline Engines - Diesel Technician Society

2000 alero surge at idle - All Gasoline Engines - Diesel Technician Society www.forddoctorsdts.com

alero

I'm Gonna Replace The Coolant In My Corolla 03, What Is The Proper

I'm gonna replace the coolant in my Corolla 03, what is the proper www.justanswer.com

coolant engine corolla gonna replace toyota side rera towards driver lower middle center

Wiring Diagram PDF: 2003 Alero Engine Diagram Coolant

Wiring Diagram PDF: 2003 Alero Engine Diagram Coolant wiring-pdf.blogspot.com

coolant gmpartsdirect

Chrysler 3 8 Engine Coolant System Diagram - Wiring Diagram

Chrysler 3 8 Engine Coolant System Diagram - Wiring Diagram cars-trucks24.blogspot.com

coolant chrysler system engine diagram flow cooling fan wiring minivan chart club forums

Engine Coolant Over Temperature When Ignition On

Engine Coolant Over Temperature When Ignition On www.2carpros.com

temperature ignition coolant engine enlarge

Alero 3 4 Liter Engine Block Diagram - Fuse & Wiring Diagram

Alero 3 4 Liter Engine Block Diagram - Fuse & Wiring Diagram fusewiring.blogspot.com

alero liter

Wiring Diagram PDF: 2003 Grand Am 3400 V6 Engine Diagrams

Wiring Diagram PDF: 2003 Grand Am 3400 V6 Engine Diagrams wiring-pdf.blogspot.com

sfi evap diagrams p0442

| Repair Guides | Engine Mechanical | Radiator | AutoZone.com

| Repair Guides | Engine Mechanical | Radiator | AutoZone.com www.autozone.com

engine civic honda thermostat radiator cooling system 1994 located where coolant hose 1992 components repair transmission drain replacing bottom tricks

Coolant Leak / Low Level Warning After A/C Repair

Coolant Leak / Low Level Warning After A/C Repair www.volvoxc.com

volvo leak coolant warning repair level low cap

99 Honda Accord Engine Diagram - Wiring Diagram Networks

99 Honda Accord Engine Diagram - Wiring Diagram Networks kelvin-okl.blogspot.com

thermostat dx replace

Chevy 3400 Sfi Engine Diagram Bolt - Wiring Diagram

Chevy 3400 Sfi Engine Diagram Bolt - Wiring Diagram cars-trucks24.blogspot.com

engine diagram v6 sfi pontiac chevy coolant gm grand 2004 am bolt leaking forums wiring 4l pipe greatautohelp 2000 alero

Wiring Diagram PDF: 2003 Grand Am 3400 V6 Engine Diagrams

Wiring Diagram PDF: 2003 Grand Am 3400 V6 Engine Diagrams wiring-pdf.blogspot.com

1907 wrg

Transmission Fluid Level Check Oldsmobile Alero (1999-2004) - 2001

Transmission Fluid Level Check Oldsmobile Alero (1999-2004) - 2001 www.carcarekiosk.com

alero oldsmobile cyl hoses

99 honda accord engine diagram. Coolant gmpartsdirect. 2000 alero surge at idle