2003 dodge caravan pcm wiring diagram

99 Dodge Caravan Radio Wiring - Wiring Diagram Networks. 17 Pics about 99 Dodge Caravan Radio Wiring - Wiring Diagram Networks : 2005 Dodge Neon Pcm Wire Diagram | Wiring Library, 2002 Dodge Grand Caravan Sport Wiring Diagram - Wiring Diagram and also 21 Inspirational Dodge Ram Infinity Amp Wiring Diagram.

99 Dodge Caravan Radio Wiring - Wiring Diagram Networks

99 Dodge Caravan Radio Wiring - Wiring Diagram Networks kelvin-okl.blogspot.com

wiring dodge radio diagram caravan stereo 2004 1998 dakota ram 2008 intrepid 1500 mainetreasurechest resources source

2001 Dodge Grand Caravan Wiring Problem: I Have A 2001, Page 2

2001 Dodge Grand Caravan Wiring Problem: I Have a 2001, Page 2 www.2carpros.com

2001 caravan wiring dodge grand problem

31 2002 Dodge Dakota Evap System Diagram - Wiring Diagram List

31 2002 Dodge Dakota Evap System Diagram - Wiring Diagram List skippingtheinbetween.blogspot.com

evap p1494 obd2

2002 Dodge Grand Caravan EL System Wiring Diagrams | Schematic Wiring

2002 Dodge Grand Caravan EL System Wiring Diagrams | Schematic Wiring wiringdiagramsolutions.blogspot.com

caravan dodge 2002 wiring diagram system grand diagrams evap 2003 ram 1500 el schematic

2002 Dodge Caravan: Electrical Problem 2002 Dodge Caravan 6 Cyl

2002 Dodge Caravan: Electrical Problem 2002 Dodge Caravan 6 Cyl www.2carpros.com

schematics

2001 Dodge Grand Caravan Wiring Problem: I Have A 2001, Page 2

2001 Dodge Grand Caravan Wiring Problem: I Have a 2001, Page 2 www.2carpros.com

2001 caravan dodge grand wiring problem

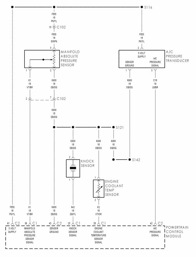
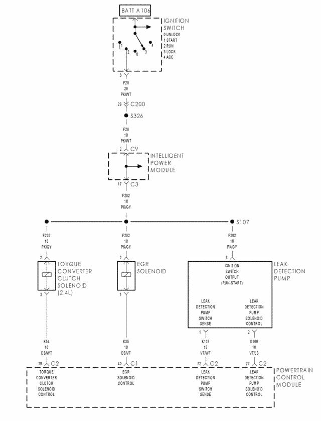
2005 Dodge Neon Pcm Wire Diagram | Wiring Library

2005 Dodge Neon Pcm Wire Diagram | Wiring Library 61.csu-lichtenhof.de

pcm

2005 Dodge Grand Caravan Wiring Diagram

2005 dodge grand caravan wiring diagram gosykil.comze.com

dodge power caravan diagram vent grand 1999 rear wiring windows window 2005 relay circuit plymouth wire motor 2007 breakers cooling

2002 Dodge Grand Caravan Sport Wiring Diagram - Wiring Diagram

2002 Dodge Grand Caravan Sport Wiring Diagram - Wiring Diagram wiringdiagram.2bitboer.com

caravan coil

Wiring Diagram For 2003 Dodge Ram 1500 - Complete Wiring Schemas

Wiring Diagram For 2003 Dodge Ram 1500 - Complete Wiring Schemas wiring89.blogspot.com

wiring diagram ram dodge 1500 2003 light tail

98 Dodge Caravan Stereo Wiring Diagram - Wiring Diagram Networks

98 Dodge Caravan Stereo Wiring Diagram - Wiring Diagram Networks kelvin-okl.blogspot.com

wiring diagram caravan dodge 2001 ram 1500 radio diagrams 2005 2002 1997 schematic engine electrical stereo data fuse grand fig

Dodge Caravan: I Have A 2002 Dodge Caravan It Has PO122 PO123

Dodge caravan: I have a 2002 dodge caravan it has pO122 pO123 www.justanswer.com

dodge cruiser pt diagram wiring wire 2005 caravan 2002 sensor chrysler bog seems down dealership yr technician start need pcm

[DIAGRAM] 2015 Dodge Grand Caravan Wiring Diagram FULL Version HD

[DIAGRAM] 2015 Dodge Grand Caravan Wiring Diagram FULL Version HD geinokaigi.xyz

dodge

2005 Dodge Grand Caravan Wiring Diagram

2005 dodge grand caravan wiring diagram gosykil.comze.com

wiring diagram caravan dodge grand 2006 2005 ignition justanswer ww2 trailer source need wire error later

Wiring Diagram For 2000 Dodge Caravan Pics | Wiring Collection

Wiring Diagram For 2000 Dodge Caravan Pics | Wiring Collection headcontrolsystem.com

caravan dodge diagram 2000 wiring 2carpros source

2005 Dodge Grand Caravan Wiring Diagram

2005 dodge grand caravan wiring diagram gosykil.comze.com

dodge caravan grand wiring diagram 2005 abs andre error later nickatina lyrics views

21 Inspirational Dodge Ram Infinity Amp Wiring Diagram

21 Inspirational Dodge Ram Infinity Amp Wiring Diagram bosco-mylove.blogspot.com

2500 caliber justanswer sxt imageservice traverse wiringdiagram

Caravan dodge 2002 wiring diagram system grand diagrams evap 2003 ram 1500 el schematic. 2001 caravan dodge grand wiring problem. Wiring diagram for 2003 dodge ram 1500