2003 dodge caravan trailer wiring diagram

Wiring Diagram PDF: 2003 Dodge Ram 1500 Trailer Wiring Diagram. 16 Pictures about Wiring Diagram PDF: 2003 Dodge Ram 1500 Trailer Wiring Diagram : 2003 Dodge Ram Tail Light Wiring Diagram / 2003 Dodge Ram 1500 Tail, Dodge Grand Caravan Trailer Wiring Harness Images - Wiring Diagram Sample and also 2002 Dodge Grand Caravan Sport Wiring Diagram - Wiring Diagram.

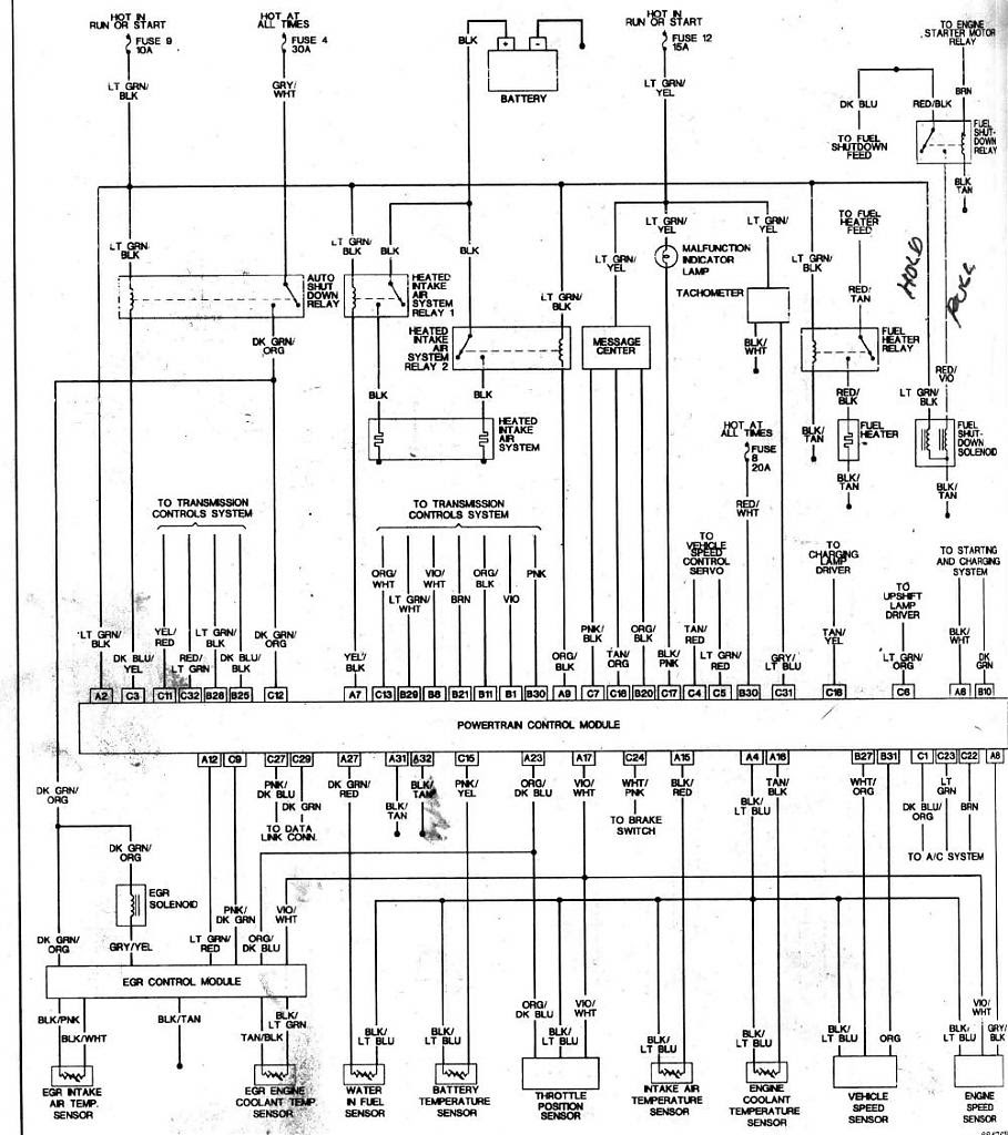
Wiring Diagram PDF: 2003 Dodge Ram 1500 Trailer Wiring Diagram

Wiring Diagram PDF: 2003 Dodge Ram 1500 Trailer Wiring Diagram wiring-pdf.blogspot.com

wiring cranks dieseltruckresource dakota 1998 drivetrain imageservice tipm intake

2002 Dodge Ram 1500 Tail Light Wiring Diagram Pics - Wiring Diagram Sample

2002 Dodge Ram 1500 Tail Light Wiring Diagram Pics - Wiring Diagram Sample faceitsalon.com

schematic 2005 justanswer imageservice f01

2003 Dodge Ram Tail Light Wiring Diagram / 2003 Dodge Ram 1500 Tail

2003 Dodge Ram Tail Light Wiring Diagram / 2003 Dodge Ram 1500 Tail wiring08.blogspot.com

electrical

Dodge Grand Caravan Trailer Wiring Harness Images - Wiring Diagram Sample

Dodge Grand Caravan Trailer Wiring Harness Images - Wiring Diagram Sample faceitsalon.com

wiring dodge diagram caravan radio grand ram 1500 stereo 2005 2001 fuse dakota 2003 harness colors justanswer trailer ww2 box

Dodge Caravan Trailer Wiring Diagram / Dodge Caravan 2011-2017 Wiring

Dodge Caravan Trailer Wiring Diagram / Dodge Caravan 2011-2017 Wiring diy-phl.blogspot.com

harness

Binero Webbhotell - Vänligast På Webben

Binero Webbhotell - vänligast på webben piratstudenterna.se

caravan dodge wiring grand diagram door window 2005 power harness fuse ram 2001 diagrams 1500 box sliding justanswer electrical 2000

2010 Dodge Grand Caravan Trailer Wiring Harness Pictures - Wiring

2010 Dodge Grand Caravan Trailer Wiring Harness Pictures - Wiring faceitsalon.com

caravan mainetreasurechest fuse

33 2005 Dodge Caravan Wiring Diagram - Wire Diagram Source Information

33 2005 Dodge Caravan Wiring Diagram - Wire Diagram Source Information wiringdiagrammechanic.blogspot.com

wiring diagram caravan dodge 2006 grand 2005 ignition justanswer trailer ww2 need source wire

28 2002 Dodge Caravan Wiring Diagram - Free Wiring Diagram Source

28 2002 Dodge Caravan Wiring Diagram - Free Wiring Diagram Source mickygurlz.blogspot.com

Ford Grand C Max Wiring Diagram

Ford Grand C Max Wiring Diagram wiringdiagramall.blogspot.com

Solution For:"I Need A Wiring Diagram For My..." -Fixya

Solution for:"I need a wiring diagram for my..." -Fixya www.fixya.com

wiring diagram caravan dodge grand 1999 2001 fixya light tail need thanks

Caravan Wiring Diagram Uk - WEEINKLING

Caravan Wiring Diagram Uk - WEEINKLING weeinkling.blogspot.com

justanswer 2500

[DIAGRAM] 2005 Dodge Grand Caravan Wiring File Zr52168 FULL Version HD

[DIAGRAM] 2005 Dodge Grand Caravan Wiring File Zr52168 FULL Version HD ken-boone.diagram.hansafanprojekt.de

wiring turning

2006 Dodge Caravan Wiring Diagram Pictures | Wiring Collection

2006 Dodge Caravan Wiring Diagram Pictures | Wiring Collection headcontrolsystem.com

2002 Dodge Grand Caravan Sport Wiring Diagram - Wiring Diagram

2002 Dodge Grand Caravan Sport Wiring Diagram - Wiring Diagram wiringdiagram.2bitboer.com

wiring tcm

Chrysler Radio Wiring Diagrams Diagram Entrancing Carlplant Within

Chrysler Radio Wiring Diagrams Diagram Entrancing Carlplant Within www.pinterest.com

wiring sebring pacifica electrical avenger challenger autoradio entrancing crossfire yukon lhs 300m durango sxt easywiring webtor radiowiring

2002 dodge grand caravan sport wiring diagram. Ford grand c max wiring diagram. 28 2002 dodge caravan wiring diagram